直流放大器
能够放大直流信号或变化很缓慢的信号的电路称为直流放大电路或直流放大器。测量和控制方面常用到这种放大器。
( 1 )****直耦放大器
直流放大器不能用 RC 耦合或变压器耦合,只能用直接耦合方式。图 8 是一个两级直耦放大器。直耦方式会带来前后级工作点的相互牵制,电路中在 VT2 的发射极加电阻 R E 以提高后级发射极电位来解决前后级的牵制。直流放大器的另一个更重要的问题是零点漂移。所谓零点漂移是指放大器在没有输入信号时,由于工作点不稳定引起静态电位缓慢地变化,这种变化被逐级放大,使输出端产生虚假信号。放大器级数越多,零点漂移越严重。所以这种双管直耦放大器只能用于要求不高的场合。

( 2 )差分放大器
解决零点漂移的办法是采用差分放大器,图 9 是应用较广的射极耦合差分放大器。它使用双电源,其中 VT1 和 VT2 的特性相同,两组电阻数值也相同, R E 有负反馈作用。实际上这是一个桥形电路,两个 R C 和两个管子是四个桥臂,输出电压 V 0 从电桥的对角线上取出。没有输入信号时,因为 RC1=RC2 和两管特性相同,所以电桥是平衡的,输出是零。由于是接成桥形,零点漂移也很小。

差分放大器有良好的稳定性,因此得到广泛的应用。
集成运算放大器
集成运算放大器是一种把多级直流放大器做在一个集成片上,只要在外部接少量元件就能完成各种功能的器件。因为它早期是用在模拟计算机中做加法器、乘法器用的,所以叫做运算放大器。它有十多个引脚,一般都用有 3 个端子的三角形符号表示,如图 10 。它有两个输入端、 1 个输出端,上面那个输入端叫做反相输入端,用“ — ”作标记;下面的叫同相输入端,用“+”作标记。

集成运算放大器可以完成加、减、乘、除、微分、积分等多种模拟运算,也可以接成交流或直流放大器应用。在作放大器应用时有:
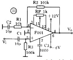
( 1 )带调零的同相输出放大电路
图 11 是带调零端的同相输出运放电路。引脚 1 、 11 、 12 是调零端,调整 RP 可使输出端( 8 )在静态时输出电压为零。 9 、 6 两脚分别接正、负电源。输入信号接到同相输入端( 5 ),因此输出信号和输入信号同相。放大器负反馈经反馈电阻 R2 接到反相输入端( 4 )。同相输入接法的电压放大倍数总是大于 1 的。

[1] [2] [3] 下一页