同学:老师,双向晶闸管看起来与单向晶闸管的外形差不多,也有三个电极(图 2 ),它的主要工作特性是什么呢?


教师:双向晶闸管相当于两个单向晶闸管的反向并联(图 3 ),但只有一个控制极。这样,双向晶闸管在正、反两个方向上都能够控制导电,而单向晶闸管却是一种可控的单方向导电器件。给双向晶闸管的控制极加正的或负的触发脉冲,都能使管子触发导通。这样,触发电路的设计就具有很大的灵活性,可以采用多种不同的触发方式。此外,双向晶闸管的两个主电极不再分为阳极和阴极,而是称为第一电极 T1 和第二电极 T2 。双向晶闸管在电路中不能用作可控整流元件,主要用来进行交流调压、交流开关、可逆直流调速等等。
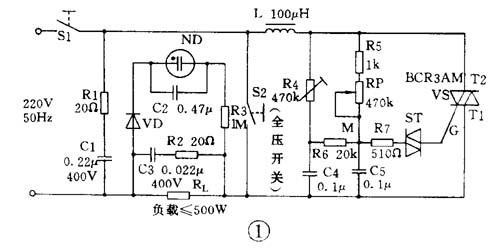
同学:双向晶闸管触发电路(图 1 )中,使用了双向触发二极管,我们过去没有听说过这种管子,这是一种什么样的器件呢?
老师:双向触发二极管(图 4 )从结构上来说,是一种没有控制极的晶闸管,我们可以把它看成是两个二极管的反向并联。这样,无论在双向触发二极管的两极之间外加什么极性的电压,只要电压的数值达到管子的转折电压值,就能使它导通。值得注意的是,双向触发二极管的转折电压较高,一般在 20 ~ 40V 范围。
同学:老师,您给我们讲讲双向触发二极管组成的双向晶闸管触发电路的工作原理吧。
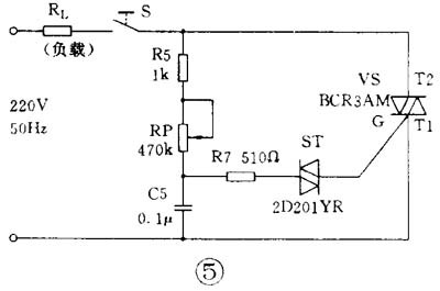
老师:调压器电路主要由阻容移相电路和双向晶闸管两部分组成。我们单独画出这两部分电路(图 5 ), R5 、 RP 和 C5 构成阻容移相电路。合上电源开关 S ,交流电源电压通过 R5 、 RP 向电容器 C5 充电,当电容器 C5 两端的电压上升到略高于双向触发二极管 ST 的转折电压时, ST 和双向晶闸管 VS 相继导通,负载 RL 得电工作。当交流电源电压过零瞬间,双向晶闸管自行关断,接着 C5 又被电源反向充电,重复上述过程。分析电路时,大家应该意识到,触发电路是工作在交流电路中的,交流电压的正、负半周分别会发出正、负触发脉冲送到双向晶闸管的控制极,使管子在正、负半周内对称地导通一次。改变 R P 的阻值,就改变了 C5 的充电速度,也就改变了双向晶闸管的导通角,相应地改变了负载 RL 上的交流电压,实现了交流调压。
同学:您刚刚画出的电路图(图 5 )是不是可以直接作交流调压器使用呢?
老师:可以。这就是一个简易型调压器,在要求不高的场合(如灯具调光)完全可以使用。这种调压器的缺点有两个:一是负载RL 上的电压不能从零伏起调, 低只能调到 20V 。当 RP 调到 大值时, C5 充电速度变得很慢,以致在交流电压的半个周期时间内, C5 上的电压还来不及上升到双向触发二极管的转折电压,双向晶闸管就不能导通。为了克服这一缺陷,增加了由 R4 、 C4 和 R6 组成的另一条阻容移相电路(图 1 )。当 RP 调到极限值以上时, C4 上的电压可经 R6 向 C5 充电,使 C5 上的电压达到双向触发二极管的转折电压,以保证在低输出电压下双向晶闸管仍能导通。适当调节 R4 ,就可以得到较低的起调电压。另一个缺点是双向晶闸管导通瞬间的突变电流形成的脉冲干扰,会影响调幅收音机和一些通信设备的正常工作,简易型调压器不能抑制这种脉冲干扰。
同学:怎么抑制晶闸管导通瞬间产生的电磁干扰呢?
老师:可以利用滤波电路。大家再看电路图(图 1 )。电感 L 串联在主电路上,对突变电流呈现很大的阻抗,起到了平滑滤波作用; R1 、 C1 支路并联在电源线上,将高频干扰电流旁路。此外,与负载 R L 并联的 R2 、 C3 支路进一步滤除了负载电流突变产生的脉冲干扰。这样,由于采用了双重滤波电路,起到了较强的抑制干扰的作用。
[1] [2] 下一页