怀念旧版

 有事您Q我  点击这里给我发消息  点击这里给我发消息  点击这里给我发消息

      

首页 | 教学管理 | 阳光概况 | 成功学子 | 就业导航 | 技术园地 | 精锐师资 | 技术专业 | 学子心声 | 招生资讯 | 阳光资讯 | 函授教学

学校地址:湖南省 长沙市 雨花区 车站南路红花坡路口
来校路线:长沙火车站售票厅后坪,乘135路公交车到“红花坡站”,即到.
学校电话:
0731-85579057,13308461099
免费电话:0731-85579057
值班手机:
(0)13807313137 杨老师
开课时间:我校常年面向全国招生,月月开班。每月1号,16号开学。
招生范围:凡年满15岁的公民,不限年龄,性别,地区。都欢迎来我校学习。
食宿问题:
学校免费介绍住宿,免费提供床上用品。学校食堂就餐,费用自理,约12元/天。
学校官网:www.hnygpx.net www.410014.com
专业介绍:欢迎查看我校专业课程!
收费标准:欢迎查看我校收费标准!
在线 Q Q:您想咨询招生情况,请联系我啊·您想咨询招生情况,请联系我啊
网上报名:欢迎您报读湖南阳光电子学校!


 全国招生免费电话:0731-85579057
探讨逆程、S校正电容

 探讨逆程、S校正电容

 

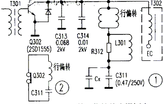
    《创》文中提到:行幅不足的常见原因有:开关电源+B电源电压降低,显像管阳极电压升高、行偏转线圈局部短路及行S校正电容容量变小等。笔者觉得《创》文分析行幅不足的基本思路是正确的,但文中说到,行幅不足,与行 s校正电容容量变小有关,此提法实属有误。正确应该是行幅不足,逆程电容容量减小,S校正电容容量变大。下面是我对逆程电容、S校正电容在电路中工作原理的肤浅认识,以创维TV-2150KN彩电行电路为例加以说明(见图1)

    一、S校正电容

    S校正电容大都与偏转线圈串联连接,同时起隔直流作用。图1C311S校正电容,在行扫描正程时,由于行输出管与阻尼二极管总有一个是导通的(其等效电路如图2所示),偏转线圈与S形校正电容必定有一个串联谐振频率。因此,偏转线圈锯齿波电流不再是线性的,而是正弦波曲线的一部分。也就是说,锯齿波电流的两端略有弯曲。成为S形,如图3所示。从而纠正了延伸性失真

    1虚线所示电容CX作为调整行幅用,当与C311并接时,使S形校正电容的容量增加,即使校正电容与偏转线圈的串联谐振频率降低,而其周期变大,从图3a线条可知,其S形校正量减小,其扫描电流振幅也变小,自然行幅也将减小,从而达到了行幅调节的目的。

二、逆程电容

由图l电路可知, 逆程电容C313 C314与行输出管(Q302)ce极并联,总电容量决定了行扫描逆程时间长短,容量大时逆程时间长,容量小时逆程时间短。行扫描逆程时间长短又影响显像管阳极高压的高低,当行扫描逆程时间短时(逆程电容小时),阳极高压升高,而当行扫描逆程时间延长时,阳极高压下降。从显像管特性知道,只考虑阳极高压变化的因素时,阳极高压上升或下降(因偏转功率是设定的基本不变,这时高压过高,偏转功率相对过小,光栅幅度必然减小,反之行幅增大)会使光栅尺寸缩小或增大,因此,必要时可以调整逆程电容量的大小来微调显像管光栅幅度的大小,但是,不能以此对光栅幅度进行大范围的调整。如果行幅过大是S校正电容失容引起。在未查明原因时,只减小逆程电容来调整行幅,势必造成电视机阳极高压过高,对没有束电流保护的电视机这时可能出现自动停机故障。对未设高压保护的电视机,这种超高压对显像管、行输出管是极为不利的。

因此,不能随意改变逆程电容的大小来调整显像管的光栅幅度。

    检修时更不能在电视机通电的情况下焊接、调换行逆程电容,一定要确保焊接可靠再通电试机。

    小结:从图l电路中,可看出S校正电容C311与偏转线圈串联连接,并组成串联谐振回路,当C311容量减小时,振荡的周期变小,s形校正量增大,行幅亦增大。然而,逆程电容C313C314与行偏转线圈为并联连接,与偏转线圈组成并联谐振回路,当C313C314逆程电容总容量减小时,逆程时间缩短,阳极高压升高,行幅变小,这才是事实的真象。

 

湖南阳光电子技术学校是湖南省首批直属电子技术学校中一所开设电子、电气类专业的学校,是专业技能型紧缺人才培训基地之一。常年面向全国招生(http://www.hnygpx.net   报名电话:0731-85579057   开设的专业有:手机维修培训、家电维修培训、电脑维修培训、网络工程师培训、液晶电视维修培训、电工培训、焊工培训---面向全国火爆招生!)。安置就业。颁发全国通用权威证书。
您当前的位置:湖南阳光电子技术学校 -> 技术园地 -> 电视维修
本文刊于:2009-12-10 1:09:51
本文版权归原作者所有。湖南阳光电子技术学校整理发布,仅供广大师生及电子爱好者参考学习之用。凡转载须说明出处!您若对这篇文章有何看法,请您留言,我们会及时进行调整 
[] [返回上一页] [打 印] [收 藏]
上一篇文章:视频信号端输出
下一篇文章:显像管基本知识

 相关网站搜索:

百度中找“探讨逆程、S校正电容”的内容

GOOGLE中找“探讨逆程、S校正电容”的内容

栏目导航

· 电工焊工 · 电视维修
· 手机维修 · 空调维修
· 冰箱维修 · 液晶电视
· 网络工程 · 显示器
· 笔记本 · 数码产品
· 音响维修 · 电子基础
· 电脑维修 · 维修视频
技术专业 
· 电工培训
· 焊工培训
· 电工培训 + 焊工培训
· 手机维修培训
· 家电维修培训
· IT通讯维修专业
· 电脑电器维修专业
· 家电通讯维修专业
· 精锐电子维修专业
· 液晶电视维修培训
· 制冷维修培训|空调冰箱维修培..
· 模具设计培训
· 网络工程师培训
新文章
· 数码相机的维修标准视频教程..
· 走进数码相机 第8集 数码相机..
· 数码相机芯片级维修视频3
· 数码相机芯片级维修视频5
· 数码相机维修视频,数码相机维..
· 数码相机维修实战技术-3
· 数码相机维修实战技术8
· 数码相机维修实战技术-1
· 数码相机芯片级维修视频4
· 电脑芯片级维修-数码相机的维..

热门文章

· 入学须知
· 2010年收费标准
· [图文] 笔记本小键盘..
· 家电维修培训
· 电脑电器维修专业
· 我的电脑图标不见了..
· [组图] 学生生活介绍..
· 彩电高压**打火的如..
· [图文] 就业安置流程..
· [组图] 来校路线图

推荐图文

首页 阳光概况 技术专业 教学管理 就业导航 成功学子 技术园地 招生资讯 精锐师资 综合讯息
  友情链接                 申请友情链接
家电维修学校 | 家电维修培训 | 电脑维修培训学校 | 湖南手机维修培训学校 | 电子技术学校 | 电子学校 | 电子维修学校 | 湖南电工焊工培训学校 | 笔记本电脑维修培训 | 显示器维修培训 | 手机维修培训 | 手机维修学校 | 电脑学校 | 电子技术学校 | 电子维修学校 | 湖南电脑培训学校 | 湖南计算机培训 | 湖南计算机维修学校 | 电脑组装与维护培训 | 网络工程师培训 | 主板维修培训 | 硬盘维修培训 | 电工焊工培训 | 液晶电视维修培训 | 彩电维修培训 | 冰箱空调维修培训 | 制冷维修培训

友情连接 - 网站地图 - 学生档案- 关于收录
网站:
http://www.hnygpx.net   报名电话:0731 - 85579057,  0731 - 85569651
报名信箱:
yp5579@263.net       咨询QQ: 361928696,  873219118 
校址:湖南省长沙市雨花区车站南路红花坡路口(红花坡路176号)